
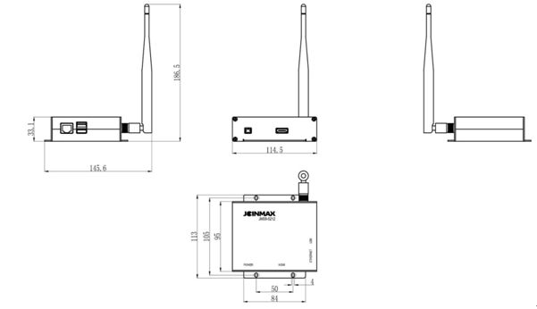
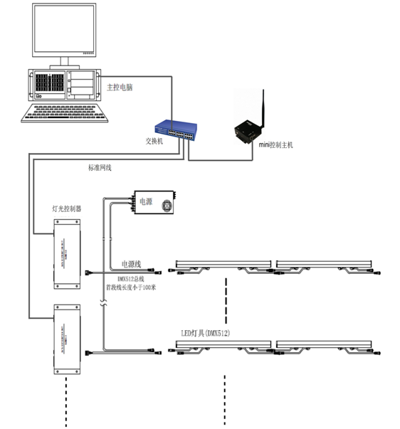
通過Mini控制主機把多個燈光控制器集中在起統一管理和控制,使用電腦或手機的瀏覽器進行界面操作,在瀏覽器上簡單添加燈光控制器的IP后使用。迷你控制主機主要實現功能:
●設置燈光控制器的芯片類型、排列方式、輸出像素、輸出幀速參數;
●控制燈光控制器播放節目編號、RGB顏色;
●同步所有燈光控制器時間;
●控制十二回路控制器開關;
?
Mini控制主機具有如下特性:
●使用瀏覽器界面操作,不受平臺限制;
●界面操作簡潔友好,操作結果實時反饋給用戶;
●Mini控制主機并行實時控制多個燈光控制器,使得燈光控制器的動作表現一致;
●Mini控制主機實時分發上位機數據給下級燈光控制器,減輕上位機的工作量;



